Porca KM Travante: Segurança que Gira com Você.
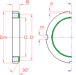
A Porca KM Travante é um componente mecânico projetado para fixar
rolamentos e outros elementos em eixos ou buchas de fixação,
garantindo estabilidade e segurança em sistemas rotativos. Fabricada
conforme a norma DIN 981, possui rosca métrica e ranhuras ao redor de sua
circunferência para facilitar o aperto com chaves específicas.
Características principais:
- Fixação Segura: utilizada em
conjunto com arruelas de trava, como as do tipo MB, assegura que a porca
permaneça firmemente no lugar, evitando afrouxamentos
indesejados.
- Facilidade de Instalação: as
ranhuras permitem o uso de chaves de gancho, simplificando os processos de
montagem e desmontagem.
- Versatilidade de Aplicação:
ideal para fixar rolamentos em eixos cônicos, buchas de
fixação e outros componentes mecânicos, sendo amplamente
utilizada em diversos setores industriais
Quer ter mais informações sobre a Porca KM Travante? Entre em
contato conosco